近岸海域生态与环境科研团队,针对近岸海域,特别是典型的富营养化渔业海域的环境污染、生态破坏和生态灾害等问题,从近岸海域生态环境现场调查、实验室分析监测与模拟实验、以及环境污染防治技术研究与应用三个层面,开展近岸海域生态环境污染与防治研究。目前,围绕海州湾、灌河口等海域,主要开展的研究工作包括微塑料等新型污染物的环境行为与生态效应研究、近岸海域生源要素的生物地球化学循环研究、近岸海域生态监测与评价研究、近岸海域环境污染防治与生态修复技术研究、循环水养殖与养殖尾水处理研究等。
团队现有科研人员8人,其中教授1人,高级实验师2人,讲师5人,6人具有博士学位,2人具有海外研究经历。团队人员先后获得江苏省“双创计划”科技副总、连云港市“521高层次人才培养工程”培养对象等人才工程。团队近年来先后主持国家自然科学基金、江苏省科技厅产学研合作项目等纵向科研项目10余项,并与田湾核电站、徐圩新区经济开发局、江苏中信安全环境科技有限公司、江苏中信优佳检测技术有限公司、连云港工投集团青口投资有限公司等合作,开展横向科研项目20余项,经费总额达500万以上,在基础研究和社会服务方面均取得了丰硕的成果。
团队在Journal of Hazardous Materials、Science of The Total Environment、Chemosphere、Marine Pollution Bulletin、Bioresource Technology、Frontiers in Marine Science、Plant Ecology、以及《环境科学》、《生态学报》、《海洋科学》和《生态毒理学报》等国内外权威期刊发表论文80余篇;授权专利9项;荣获省部级三等奖1项,江苏省高等学校科学技术研究成果奖三等奖1项。积极服务地方产业,为海水养殖企业提供养殖尾水和循环水处理方案,建立了海水池塘养殖尾水处理示范工程,引导10余家养殖企业进行了养殖模式的升级;为6家环境监测和环保工程企业长期提供技术咨询服务;积极承担各级企事业单位委托的海洋调查和环境监测任务,服务海洋环境保护事业。

微塑料来源机制及其生物地球化学行为研究

江苏近海生态调查获取的各类海洋生物样品

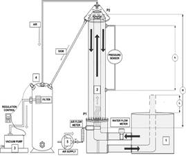
水产养殖水处理设备研发及应用